Các sản phẩm
Van kiểm tra mặt bích
  • Van kiểm tra mặt bíchVan kiểm tra mặt bích

Van kiểm tra mặt bích

Van một chiều mặt bích được sản xuất bởi GenTant, nhà sản xuất và cung cấp van hàng đầu tại Trung Quốc. Nhà máy của chúng tôi phục vụ một lượng khách hàng rộng lớn và đa dạng, được củng cố bởi thành tích xuất khẩu toàn cầu mạnh mẽ. Chúng tôi đã cung cấp thành công các loại van chất lượng cao cho nhiều khách hàng và thị trường lớn trên toàn thế giới, bao gồm xuất khẩu rộng rãi sang Châu Âu, Bắc Mỹ và Nga. Phạm vi quốc tế này chứng tỏ khả năng đã được chứng minh của chúng tôi trong việc đáp ứng các tiêu chuẩn quốc tế khác nhau và các yêu cầu khắt khe của các dự án kỹ thuật toàn cầu, củng cố danh tiếng của chúng tôi như một đối tác đáng tin cậy và có năng lực trong ngành kiểm soát dòng chảy.

Van một chiều mặt bích là một thiết bị kiểm soát dòng chảy công nghiệp mạnh mẽ được thiết kế để tự động cho phép dòng chất lỏng chảy theo một hướng và ngăn chặn dòng chảy ngược trong hệ thống đường ống. Nó đạt được điều này thông qua một đĩa có bản lề hoặc cơ cấu xoay mở ra dưới áp lực về phía trước và đóng lại bằng trọng lực và/hoặc áp suất dòng chảy ngược để tạo ra một lớp bịt kín. Đặc điểm nổi bật của nó, các đầu có mặt bích, cho phép bắt vít an toàn và dễ dàng giữa các mặt bích ống, đảm bảo kết nối có tính toàn vẹn cao, chống rò rỉ, phù hợp cho các ứng dụng áp suất cao và đường kính lớn. Chức năng này rất quan trọng để bảo vệ máy bơm, máy nén và các thiết bị quan trọng khác khỏi bị hư hỏng do búa nước và dòng chảy ngược, đồng thời duy trì hiệu quả và an toàn của hệ thống trong các ngành xử lý nước, sản xuất điện, xử lý hóa chất và dầu khí.


Tính năng và ứng dụng sản phẩm

Van một chiều có mặt bích được thiết kế để kiểm soát dòng chảy một chiều, an toàn trong hệ thống đường ống, có các đầu có mặt bích để lắp đặt dễ dàng và các kết nối chắc chắn, chống rò rỉ. Cơ chế xoay hoặc nâng của nó ngăn dòng chảy ngược, bảo vệ máy bơm, đường ống và thiết bị khỏi bị hư hỏng. Được sử dụng rộng rãi trong các hệ thống cấp nước, HVAC, công nghiệp và hóa học, nó đảm bảo vận hành đáng tin cậy, giảm thiểu việc bảo trì và duy trì hiệu suất hệ thống ổn định.


Thông số sản phẩm

1. Áp suất danh định: 1,6 MPa  

2. Môi trường làm việc: Nước, khí không ăn mòn và không cháy

3. Nhiệt độ hoạt động: -20°C ≤ T ≤ 150°C  


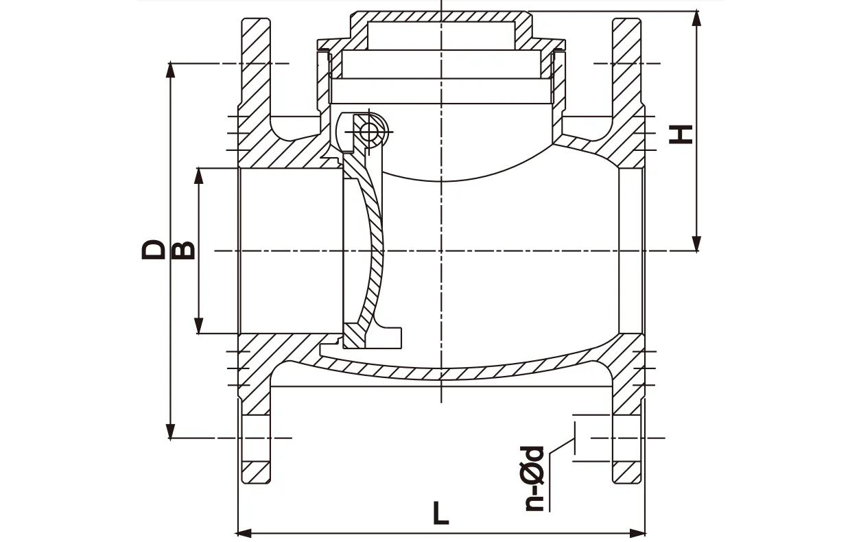
Kích thước sản phẩm

Flanged Check Valve

DN

L (mm)

H (mm)

D (mm)

B (mm)

n-⌀d

WT (g)

40

135

73

110

40

4-18

3893.0

50

143

85

125

50

4-18

5381.0

65

160

95

145

65

4-18

7611.0

80

185

104

160

80

8-18

9445.0

100

210

118

180

100

8-18

12885.0

125

235

133

210

120

8-18

18550.0

150

263

142

240

142

8-23

27000.0


Hướng dẫn cài đặt

1. Làm sạch và chuẩn bị kỹ lưỡng hệ thống đường ống trước khi lắp đặt van.

2.Trước khi lắp đặt, hãy tháo mọi nắp bảo vệ ở đầu van và kiểm tra các cổng van cũng như bề mặt tựa để đảm bảo chúng sạch sẽ.

3. Cung cấp sự hỗ trợ đầy đủ cho van để tránh căng thẳng khi kết nối đường ống.

4. Xác nhận rằng xếp hạng áp suất và nhiệt độ của van phù hợp với điều kiện sử dụng dự định.

5. Trước khi đưa Van một chiều mặt bích vào sử dụng, hãy xoay vòng hoàn toàn từ mở sang đóng để xác minh hoạt động trơn tru.

6.Sau khi lắp đặt, hãy kiểm tra xem đai ốc đóng gói đã được siết chặt đúng cách chưa.


Lưu ý 1: Van một chiều mặt bích có thể được lắp đặt trong đường ống nằm ngang hoặc thẳng đứng với dòng chảy hướng lên trên hoặc theo hướng trung gian, miễn là chốt bản lề trên van một chiều kiểu xoay vẫn nằm ngang. Lắp đặt van một chiều ở khoảng cách thích hợp với các đầu ra của máy bơm hoặc các nguồn dòng chảy hỗn loạn khác. Tham khảo bản tin kỹ thuật có liên quan để biết chi tiết.


Lưu ý 2: Một số van một chiều có thể bao gồm bao bì bên trong để bảo vệ đĩa trong quá trình vận chuyển. Loại bỏ tất cả các vật liệu đóng gói như vậy trước khi lắp đặt.


Hướng dẫn vận hành

Van một chiều mặt bích hoạt động tự động và không cần can thiệp thủ công.


Kiểm tra và bảo trì

1. Nói chung không cần phải kiểm tra định kỳ và bảo trì phòng ngừa, ngoài việc thỉnh thoảng điều chỉnh việc đóng gói thân và đạp xe định kỳ của van từ mở sang đóng.

2.Nếu xảy ra rò rỉ vòng đệm, hãy siết chặt đai ốc đóng gói theo chiều kim đồng hồ khoảng một phần tư vòng—hoặc cho đến khi ngừng rò rỉ—để tăng áp suất bịt kín lên vòng đệm thân. Không bao giờ đóng gói lại van khi nó đang chịu áp suất hệ thống.

3. Khi thay thân van, hãy thay thế vật liệu đóng gói.


Phụ tùng thay thế

Trong điều kiện hoạt động bình thường, hiếm khi cần đến các bộ phận thay thế. Các phụ tùng thay thế được khuyên dùng cho từng loại van bao gồm: Đĩa, giá đỡ và cụm bản lề.

Khi đặt hàng các bộ phận, vui lòng cung cấp số hình, kích thước, bộ phận cần thiết và tuổi gần đúng của van.


BẢO TRÌ

1. Vệ sinh thường xuyên. Để tránh ảnh hưởng của tạp chất và cặn trong đường ống lên van một chiều, cần thường xuyên vệ sinh van một chiều ngang hoàn toàn bằng đồng và bên trong đường ống.


2.Lưu ý luân phiên thao tác nước lạnh và nước nóng. Thường xuyên mở và đóng van một chiều sẽ gây hư hỏng, vì vậy nên tránh thao tác nước nóng và nước lạnh xen kẽ.


3.Chú ý áp lực. Khi sử dụng van một chiều ngang hoàn toàn bằng đồng, cần chú ý đến tình trạng áp suất bên trong đường ống, vì áp suất quá cao sẽ ảnh hưởng xấu đến van một chiều. Nói tóm lại, van một chiều ngang hoàn toàn bằng đồng là một thiết bị được sử dụng phổ biến trong các hệ thống đường ống, việc sử dụng và bảo trì rất đơn giản và dễ dàng. Trong sử dụng thực tế, người dùng nên vận hành và bảo trì theo yêu cầu trên để đảm bảo hiệu quả sử dụng.



Thẻ nóng: Nhà sản xuất, nhà cung cấp, nhà máy van một chiều mặt bích Trung Quốc
Gửi yêu cầu
Thông tin liên lạc
Nếu bạn có bất kỳ câu hỏi nào về báo giá hoặc hợp tác, vui lòng gửi email cho chúng tôi theo địa chỉ zchen@gentantvalves.com hoặc sử dụng mẫu yêu cầu sau. Đại diện bán hàng của chúng tôi sẽ liên hệ với bạn trong vòng 24 giờ. Cảm ơn bạn đã quan tâm đến sản phẩm của chúng tôi.
X
Chúng tôi sử dụng cookie để cung cấp cho bạn trải nghiệm duyệt web tốt hơn, phân tích lưu lượng truy cập trang web và cá nhân hóa nội dung. Bằng cách sử dụng trang web này, bạn đồng ý với việc chúng tôi sử dụng cookie. Chính sách bảo mật
Từ chối Chấp nhận